Call us: 0312-3668066 13932284707 E-mail: 346835709@qq.com

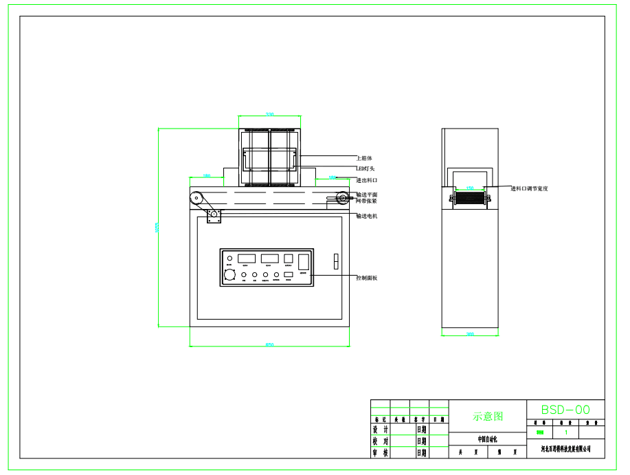
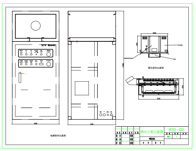
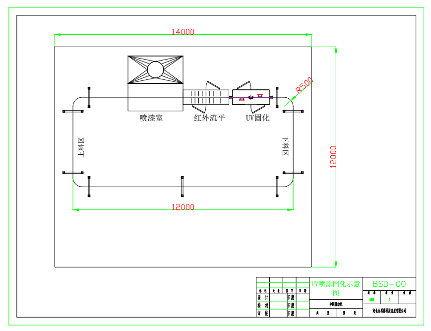
订制UV光固化机

Description:

ASK US A QUESTION

Name *

Phone

Email *

Message *

Please specify the size and specification of the product you need so that we can customize it for you.

Submit message

+Related Product